
Description
Description
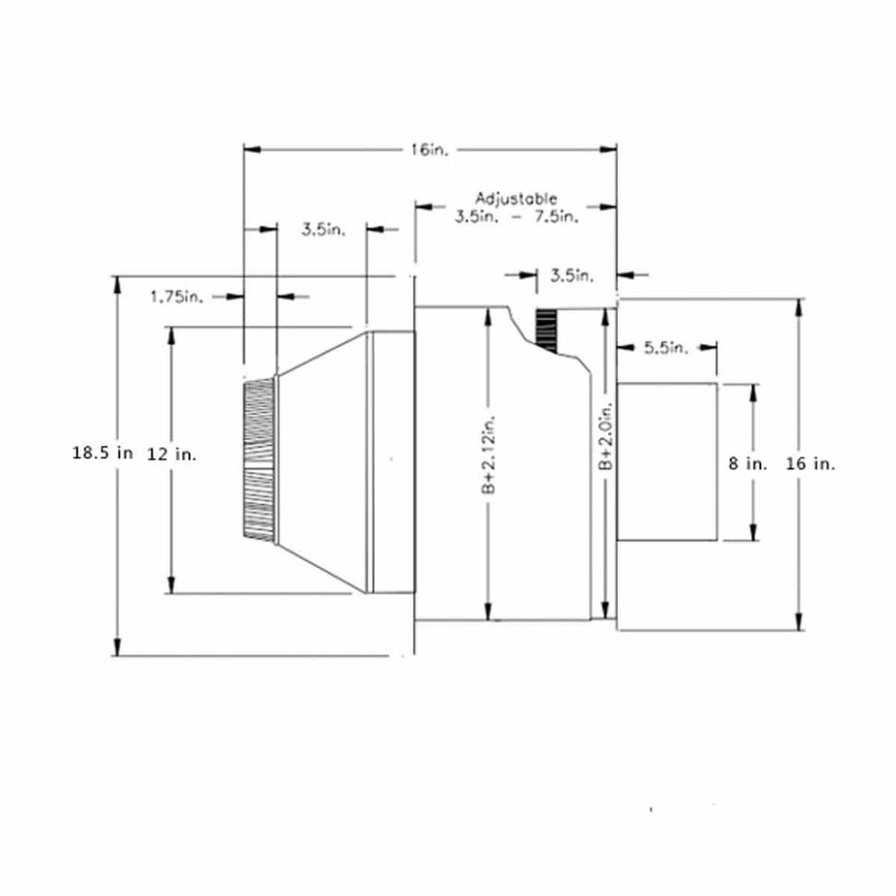
Use for installation to a masonry chimney through a combustible wall. Our IWT Insulated Wall Thimble is used to connect a single or double wall stove pipe to an existing masonry chimney or a relined chimney with a stainless steel liner.
Benefits of DSP Double wall stove pipe:- Clearances are reduced to 6" from combustibles (vs 18" for single wall pipe)
- Double wall stove pipe lasts significantly longer
- High quality, Scratch resistant black finish
- Adjustable lengths mean no cutting pipe to fit your installation
- Listed, Certified and labeled to UL safety standards
- Lifetime warranty on all components
See all 8" DSP Double Wall Chimney Pipe Components.
Additional Information:
Model DSP Double Wall Stove Pipe is a connector pipe that links your wood stove to an insulated chimney. The connector is an important component of a woodburning system because its correct size, arrangement and installation improve the performance and safety of the heating system. DSP Double Wall Stove Pipe is listed and tested to ULC S641 and UL 103 standards. Model DSP has an attractive outer black surface made of durable aluminized steel to withstand temperatures up to 1200 degrees F in continuous operation. Double Wall construction with a 1/4" air space between inner and outer pipes provides a superior insulating value compared to single wall pipe. Double Wall Stove Pipe not only keeps the flue temperatures higher, it also keeps the outer pipe temperatures cooler, allowing for reduced clearances to combustibles.